La magie de la géométrie.
L'ambition de ce pas à pas est de présenter mon cheminement pour répondre au besoin de serrer des pièces à la verticale sur la Workstation de Shaper Origin.
Liste des articles
Mon besoin
Pour remettre dans le contexte, la Workstation est une station de travail vendu à part de la Shaper Origin. Elle est assez polyvalente et sa conception est plutôt bien pensée. Elle se destine à l'usinage des pièces de taille moyenne autant à plat qu'en bois de bout.
C'est ici surtout l'usinage des pièces en bois de bout qui va nous intéresser.
Afin d'immobiliser les pièces à la verticale, la Workstation est livrée avec un plateau rainuré et deux presseurs en forme de banane, classiques et fonctionnels.
Ces presseurs remplissent leur fonction de serrage avec une belle adaptation à toutes les épaisseurs qu'on pourrait avoir envie de presser.
Le soucis, c'est que comme on est à la verticale, la pesenteur ne nous aide pas à mettre en place le serrage et il faut presque 3 mains pour tenir la pièce, tenir le presseur, visser le presseur ... sinon, il retombe ...
D'où l'envie de chercher une solution qui sache se limiter au deux seules mains que je possède
.
Mon cahier des charges
- Utilisable à une seule main
- Pouvoir en mettre 2 l'une à côté de l'autre (40 mm d'entre axe des rainures)
- Tient en position et garde le réglage à chaque ouverture
- Adaptable aux épaisseurs de 10 à 50mm
- Peut servir de butée latérale
L'idée
Du coup, l'idée est de s'inspirer des sauterelles du commerce (ou toggle clamp en anglais) qui sont toutes plus magiques les unes que les autres avec des simples mouvements de bielles.
Celle qui va le plus nous intéresser ici est celle qui a la poignée qui manoeuvre "à plat". Comme le modèle suivant :
Bon, je suis parfaitement d'accord qu'au prix de ces petites bête il est peut-être con de s'embêter à les fabriquer soi-même. Mais où serait le plaisir.
Autre inspiration : Surface Toggle Clamp par Izzy Swan
Sans compter que ces dernière sont souvent faite pour être vissée sur une plaque. Or dans mon cas, je veux qu'elles puisse prendre leur appuis dans une rainure en T.
Comprendre la géométrie
Avant de copier bêtement, tâchons de comprendre ce qui fait que ces sauterelles remplissent la mission qu'on leur donne.
Ce qu'on remarque dans ce modèle, c'est que tout s'opère avec :
- Un socle fixe
- Une tête en rotation sur le socle
- Une bielle en rotation sur le socle
- Une poignée en rotation sur la tête et la bielle
Ces 4 axes de pivot forment une sorte de "triangle" et c'est là que réside toute la magie.
La base de ce triangle est fixe, c'est le socle [AB]. La "hauteur" c'est la tête [AC]. Et l'hypoténuse est brisée en deux et s'articule autour de la poignée [CD] et la bielle [DB].
J'ai pris un triangle rectangle par commodité, mais pour le principe, ça n'a pas d'importance.
Pareil pour [CD] et [DB], ils ne sont pas obligé d'être de même longueur pour que ça fasse ce que l'on veut.
Dans ce triangle nous allons maintenant considérer la base [AB] comme complètement fixe. Et nous allons faire bouger les autres points. Ce qui transformera le triangle en quadrilatère, bien entendu.
Ont voit alors qu'on a 3 situations :
- l'angle CDB est > 180°
- [CD] et [DB] sont colinéaires, CDB est un angle plat
- l'angle CDB est < à 180°
Dans la situation 1 et 3, on constate que l'angle CAB est toujours < 180°. Ce qui implique que la distance CB est toujours plus petite que dans la situation 2. Et que si une force était appliquée horizontalement sur B, la situation 1 resterait 1 et 3 resterait 3.
La magie de la chose est donc que le passage de la situation 1 à 3 donne un maximum qui fait basculer d'un côté où de l'autre sans qu'une force appliquée en B puisse faire revenir en arrière.
Et bien voilà, on a tout ce qui nous faut pour commencer à réfléchir à notre sauterelle !
La modélisation
Pour la modélisation, j'ai utilisé Fusion 360 qui permet :
- Un dessin avec contraintes géométriques
- Une modélisation paramétrique (quelques paramètres à changer et tout se redessine)
- Une modélisation mécanique avec les liaisons pour le manoeuvrer numériquement
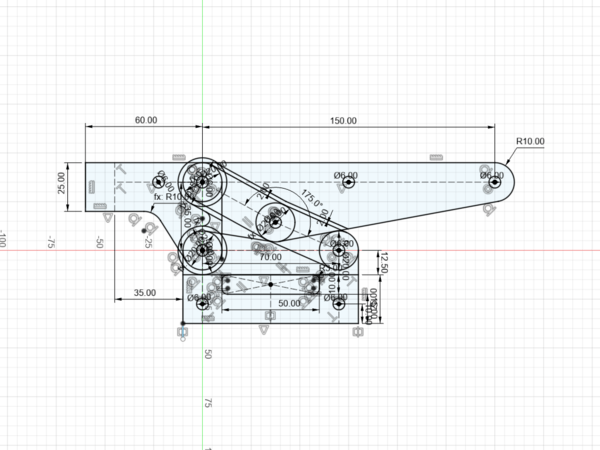
Et voici donc mon esquisse bien confuse. Bon, j'avoue ne pas être encore assez à l'aise avec Fusion pour pour savoir s'il est mieux de décomposer son esquisse en "sous-esquisses" pour que ça reste plus clair.
Dans cette esquisse, on retrouve notre "triangle/quadrilatère" et tous les autres éléments.
On peut remarquer que mon dessin de base représente la sauterelle dans son état verrouillé. C'est en effet notre état cible et c'est principalement cet état qui va définir la forme des pièces.
Mon état verrouillé est donc la situation 3 précédemment vue (ici l'angle est à 175°), mais pour qu'elle soit parfaitement verrouillée, il faut que l'ensemble se bloque. D'où la forme de la poignée et du socle qui viennent en buté l'un contre l'autre.
De cette esquisse, je peux extruder l'ensemble en volume :
Et en configurant les liaisons pivot, je peux manipuler la poignée :
Comme prévu, si je lève ou baisse la poignée, ça lève au baisse la tête.
Ajout des accessoires
Le presseur
En l'état la hauteur de la tête par rapport au socle n'est pas variable. En état verrouillé, elle est toujours à la même position.
Pour permettre de s'adapter à la pièce à serrer, j'ajoute une vis de réglage de hauteur de contact avec la pièce : les presseur.
La molette de fixation
C'est bien beau d'avoir le système de sauterelle, mais il faut maintenant pouvoir le faire tenir sur la plaque avec les rainures en T de la Workstation.
Pour ça, j'ai pensé à ajouter une "bride" qui pourra être serrée / desserrée via une molette intégrée au socle de la sauterelle.
L'idée derrière tout ça est de pouvoir manipuler l'ensemble à une seule main
.
Le prototype #1
Afin de valider la géométrie et les proportions un petit prototype s'impose.
J'ai donc exporté les formes du modèle pour les découper à la Shaper dans du CP peuplier de 5mm.
Les différentes pièces son assemblées uniquement par les tourillons qui sont insérés avec un jeu serré. L'ensemble s'actionne et se tient même sans colle 
Premier usage
La prototype fonctionne pas mal du tout et le proportions sont pas pires.
C'est très motivant, à suivre !
Le prototype #2
La premier proto m'a valider que le verrouillage avait un minimum de pression.
Pas de gros changements par rapport à ce dernier si ce n'est que là je veux le faire fonctionner en vrai. Donc, je fais quelques ajustements :
- Réalignement de quelques tourrillons pour que ça soit joli

- Diminution du diamètre de la molette à 40mm, sinon, je ne peux pas les monter dans deux rainures voisines
- Ajout d'un tourillon diamètre 10 dans la tête pour la vis de pression le traverse et essaye d'éviter de cisailler le CP.
- Utilisation d'une seule épaisseur de CP : 6,5mm. Comme ça toutes les pièces sont usinées dans le même panneau.
Après pas mal de temps d'usinage, voici la bête :
J'avoue avoir longtemps hésité à mettre les pivots avec des tourillons en bois (parce que c'est joli) ou les mettre en métal pour que ça résiste un peu mieux à la pression.
Le bois a gagné pour l'instant, on verra à l'usage.
Quelques détails de la bride qui va dans la rainure :
Et voici les sauterelle en situation !
Franchement, ça rempli la fonction que je voulais
!
La molette marche bien et permet bien d'en mettre deux de front dans des rainures voisines.
Il ne me reste plus qu'à trouver comment faire la tête de pression.
Là, j'ai fileté le bois, mais je sens que ça va pas tenir longtemps comme ça.
A suivre !
Le presseur
Finalement, j'ai opté pour la simplicité.
Le presseur est un simple boulon de diamètre 6mm avec la tête qui est prise en sandwich entre deux CP de 6,5mm formant un cylindre de diamètre 26mm.
Un contre écrou vient plus haut verrouiller et renforcer l'appuis dans le filetage de la tête.
Un liège de 5mm d'épaisseur vient permettre un appuis moins glissant et encaisser la "surpression" au moment du verrouillage.
Voici une petite vue en coupe du plan final.
Et voici la photo finale.

Discussions
J'adorrrre ce genre de petites choses...
J'en avais fait une:
Attention, le plus délicat, c'est le presseur. La tige verticale a tendance à cisailler, le trou s'élargit dans le bois, et la tige se met de biais. Même avec un insert, cela cisaille au bout d'un certain temps d'utilisation.
Prendre un bois très dur, ou faire la pièce avant en métal.
Wep, c'est ce qui me questionne. D'autant que je pense partir sur de CP bouleau aussi.
Peut-être qu'un tourillon placé perpendiculairement à l'axe du perçage pourrait faire un travers fil intéressant ...
Après, dans le cas de l'utilisation pour la Shaper, il n'est pas utile d'avoir une pression délirante. La tenir à sa place suffit. Les forces appliquées sur le bois sont assez faibles. C'est pas comme si on devait fixer une pièce pour la passer à la toupie.
Boris Beaulant En fait, je crois que sans presseur, et mettre des cales pour avoir la bonne hauteur, comme tu fais sur proto, c'est sans doute le plus simple.
Kentaro oui, mais pour tenir les cales, il faut une troisième main quand on est à la verticale. Je voudrais pas m'écarter du but initial :)
excellent.
parfaitement posé !
et un contre écrou pour la vis de réglage : utile à l'usage ou pas ?
et une petite statique peut donner une idée des efforts dans les biellettes
ici 130N dans biellette pour 100N de serrage
Je pensais fileté le bois. Ca devrait être assez freinant pour pas tourner tout seul sans contre écrou.
Hmm, intéressant
Je suppose que la différence entre deux forces varie si le rapport hauteur / base du triangle change ?
Boris Beaulant ben si tu veux un triangle rectangle ABC, on a
les 2 longueurs de 50 = sqrt(60²+80²)/2
du coup, voici la tendance si on fait varier la hauteur AC
par contre si on "casse" le triangle rectangle, ça peut faire gagner. tout en gardant un serrage à 60mm de A
finalement, la géométrie initiale est plutôt bien sentie
Ok, je sais pas si je vois bien où est le gain sur les derniers schéma :)
60 x 80 c'était pour mon explication. Dans le modèle et le prototype, j'ai pris 35 x 70 (rapport 1/2). Donc, si je comprends les efforts sur la bielle sont plus que 130% dans ce cas.
C'était un choix arbitraire, mais aussi parce que je ne voulais pas une base trop courte pour loger le molette et pas une sauterelle trop haute non plus.
effectivement, avec la bonne géométrie c'est mieux.
avec le paramétrique, l'avantage c'est que c'est fait rapidement ..
allez dernier jet, après j'arrête (même si ça m'amuse)
bon, cela dit, au lieu d'un coeff (rapport 1/2) 0,5 --> >0,8 (4/5) peut faire bien diminuer les efforts
en fait ce qui te gene c'est que la banane du presseur se mette verticale avec la pesanteur ? faudrait trouver le truc pour que la banane reste horizontale tout en pouvant visser
peut etre ajouter du poids sur l'axe perpendiculaire à l'axe banane de sorte que c'est l'axe le plus lourd qui passe à la verticale
C'est sur que ça serait plus simple d'utiliser les trucs existants.
Mais ces trucs sont vraiment pas pratiques à utiliser à la verticale. Leur atout est aussi leur plus grand défaut. Tout est mobile. Et même avec deux mains pleinement disponibles c'est toujours fastidieux à mettre.
Bonjour Boris, merci pour ce pas à pas très détaillé ! je suis ravi de pouvoir prendre tout le temps qu'il me faut pour lire et comprendre les diagrammes, la géométrie, etc.
je suis confronté à un besoin un peu "anormal" (j'ose à peine en faire mention) mais bon, peut être est-ce OK de poser la question ici puisqu'il s'agit de serrage "façon sauterelle", aussi.
J'ai une boite a onglet pour ma scie circulaire, comme ceci :
elle fonctionne pour a peu près tout ce que je lui demande : coupe de "petits panneaux" (elle fait 1x1m), coupes transversales à 90° ou en angle, coupes en biais... la seule chose que je n'arrive pas encore à faire bien, c'est refendre des planches (comme on pourrait avec une scie à ruban ou une scie sous table)
par exemple si j'ai une planchette de 200x50 en 18mm d'épaisseur et que je voudrais en faire deux de même dimensions mais deux fois plus fines... j'ai du mal à envisager un montage sécure pour faire ça avec la scie circulaire. J'ai pas bcp d'autres outils alors je fais avec ce que j'ai et donc, pour le moment, je le fais à la main. Mais j'aimerais réussir à adapter la boite a onglets pour serrer une pièce longue et fine parallèlement au trait de coupe de la scie.
Des sauterelles fonctionneraient (jusqu'à une certaine épaisseur minimale, du moins, pour pas que la sauterelle soit sur le chemin de la lame) mais pour le serrage, je suis bloqué par le rail de soutènement de la scie elle même.
Une idée ?^^
tu peux regarder ça :
youtube.com/wa...h?v=vrrjLYn-6WY
très intéressant, je n'avais pas vu ça en cherchant mes différents "resawing jig for circular saw"... :) merci !
ce que j'avais trouvé c'était un genre de semelle a double guide vertical en dessous. C'était peu précis pour des petites épaisseurs et ça demandait de visser dans la scie à chaque utilisation...
La rondelle en dessous devrait en effet donner une bonne assise à la vis, et limiter le cisaillement. Tu nous diras comment ça tient dans le temps!
Oui, et il y a le tourillon de 10 qui traverse aussi. Et même si ça sert à rien, ça fait toujours un oeil à la bête ... hihi
Salut !
Ah c'est du propre, bien joué ! Je pense que je vais en faire aussi, marre de m'enquiquiner la vie
Elles ont de la gueule tes sauterelles.

Un petit clin d'œil : ce sont les poules qui ont les yeux sur les côtés, les chiens, c'est devant
Pour monter la sauterelle métallique dans les rainures en Té, il est peut-être possible de réduire la base à la largeur du Té.
Mais je comprends et j'approuve ta démarche. J'aurais même ajouté un critère de plus au cahier des charges : en bois pour protéger la fraise en cas d'étourderie
Nul doute que cette création va avoir autant de succès que ton fameux tabouret !
Oui, mais dans le fond, un bricolage avec une sauterelle du commerce n'aurait pas non plus prix aucun temps.
on pourrait dire qu'ici c'est de type "top down", pratique d'avoir tout dans une esquisse, un coup d'oeil et tout y est
(dans la fenêtre esquisse il y a une option pour cacher les cotes, les contraintes, les lignes de construction pour alléger si ca gêne le coup d'oeil)
je crois que c'est la meilleure façon de faire pour cet outil 2D multi-couches, super avec la shaper
Construire une esquisse par composant complexifie bcp le développement et les retouches mais ca serait l'autre facon de faire plus de type "bottom-up"
C'est souvent la méthode Bottom-Up que je choisis sous Solidworks, par 'principe'.
Si ce sont deux pièces assemblées, même si elles n'en forment qu'une ensuite, cela me paraît plus logique ainsi.
Cependant, je trouve que cela pose des contraintes supplémentaires en phases de conception, avec notamment les dépendances et de choix de l'ordre.
Je vois déjà d'ici certains boiseux équipés de CNC qui travaillent aussi l'aluminium en sortir une dans ce métal avec des axes en acier.